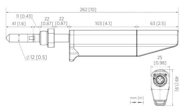
Sondy DMP80 są kompatybilne z miernikiem przenośnym Indigo80. Należąca do rodziny sond i przetworników Indigo, DMP80 jest zoptymalizowana do przenośnego rejestrowania danych i punktowej kontroli pomiarów punktu rosy w szerokim zakresie temperatur i ciśnień. Odporna na zanieczyszczenia cząstkami stałymi, kondensację, opary oleju i większość chemikaliów, sonda DMP80 zapewnia krótki czas reakcji, długotrwałą stabilność i niezrównaną wydajność w dynamicznych i niskotemperaturowych zastosowaniach. W celu analizy i konfiguracji urządzenia, sondy DMP80 można podłączyć do komputera z oprogramowaniem Vaisala Insight dla Windows®.
Własności
- Przenośna konstrukcja zoptymalizowana do przemysłowej kontroli punktowej i kalibracji w terenie
- Dokładność pomiaru punktu rosy do ±2°C
- Szeroki zakres pomiaru punktu rosy
- Czyszczenie chemiczne czujnika poprawia długoterminową stabilność i odporność chemiczną
- Odporność na kondensację
- Kompatybilny z ręcznym wskaźnikiem Indigo80 i oprogramowaniem Insight PC
- W zestawie certyfikat kalibracji



+48 126321037